Description
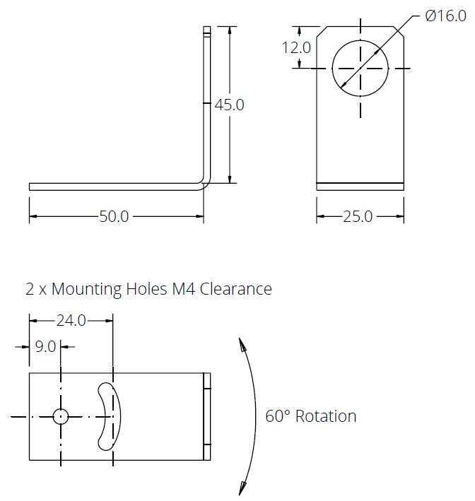
Fixed ‘L’ Shaped Mounting Bracket for PyroCouple or PyroMini Temperature Sensors, Part Ref: FBS. Provides a rigid support for the sensor and fine adjustment in a single plane.
Dimensional Drawing

Fixed ‘L’ Shaped Mounting Bracket for PyroCouple or PyroMini Temperature Sensors. Provides a rigid support for the sensor and fine adjustment in a single plane.
£10.00
Fixed ‘L’ Shaped Mounting Bracket for PyroCouple or PyroMini Temperature Sensors, Part Ref: FBS. Provides a rigid support for the sensor and fine adjustment in a single plane.

Need help with your products or have a question for us on our custom systems? Use the form below to send us a message and our experts will be in touch to help.