Description
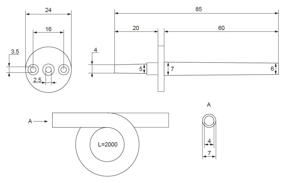
The DP-AK differential pressure measurement accessory kit is an accessory kit for mounting differential pressure devices. The accessory kit includes the following parts:
- Duct connectors (2 pcs) and connector mounting screws (4 pcs)
- Pressure measurement hose (2 m) 4mm Inner Diameter, 7mm Outer Diameter
Parts Diagram

The DP-AK set consists of straight-cut tubes designed to ignore the kinetic energy of moving air as much as possible. Because the opening is perpendicular to any airflow, it primarily measures the static pressure wherever it is mounted. This makes them ideal for pressure comparison tasks where air velocity would otherwise distort the reading, such as monitoring a filter’s cleanliness or comparing the pressure between two different rooms. Using a DP-AK probes ensures that your measurements remain stable and accurate, focusing purely on the pressure difference between two locations without the “noise” of air rushing into the tube.
If you require a set of probes designed for air flow, then the DFK set linked below would be more suitable.
