Description
Features
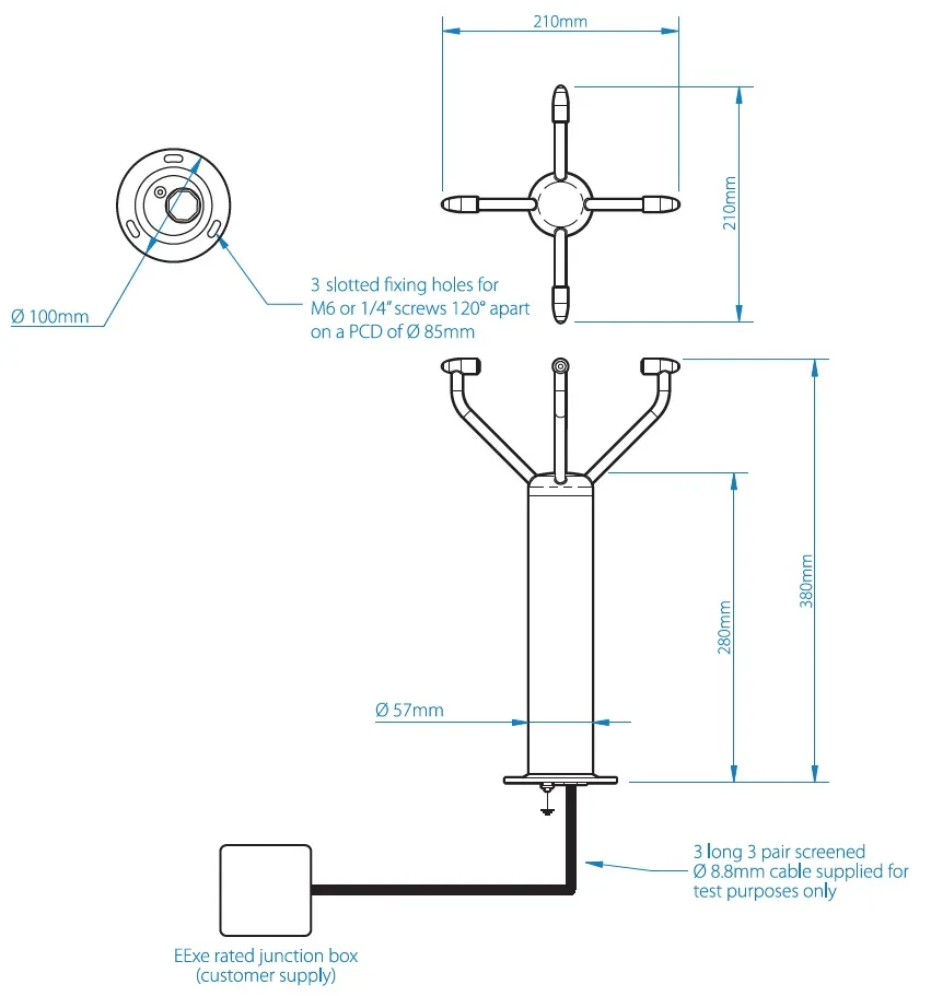
- 2 Axis Precision Ultrasonic Anemometer with UV, Polar and NMEA
- Robust Stainless Steel Construction
- ATEX, IECEx & UKEX certification for use in Hazardous Areas
- 9-30vDC Power Supply.
- RS422 Communications
- Averaging/Gusts to WMO Guidelines
- 0-75m/s (0-168mph) Wind Speed Operation
Specifications
Wind Speed Specifications
| Range: | 0-75m/s (0-168mph) |
| Starting Threshold: | 0.01m/s |
| Accuracy: | ±2% @ 12m/s |
| Resolution: | 0.01m/s |
Wind Direction Specifications
| Range: | 0-359° (no dead band) |
| Accuracy: | ±4° |
| Resolution: | 1° |
Measurement
| Ultrasonic Output Rate: | 1Hz, 2Hz or 4Hz |
| Parameters: | UV, Polar and NMEA |
| Units: | m/s, knots, mph, kph, ft/min |
| Averaging: | 0 to 3,600 seconds |
Digital Output
| Communication: | RS422, Full Duplex |
| Baud Rates: | 1200, 2400, 4800, 9600, 19200. |
| Formats: | 8 bit data; odd, even or no parity |
| Anemometer Status: | Supplied as Part of Standard Gill Message (NMEA Output Includes V and A Codes as Part of the Message |
